|
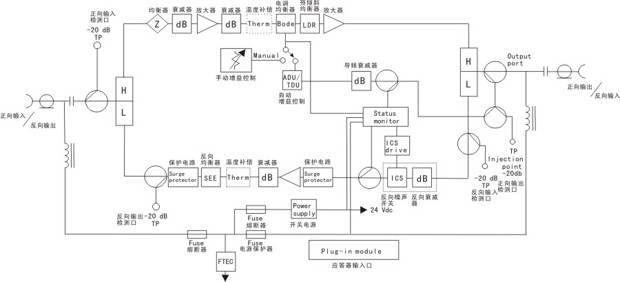
CX-TA/Y是本公司最新型的雙向延長放大器,放大器是為了適應HFC網絡日新月異的發展而專門設計的。該產品具有增益高、且可進行狀態監控和回傳噪聲控制等特點。該產品將所有射頻部件全部安裝在一個可快速更換的內置式鑄鋁屏蔽框內,極大地方便了產品的升級及維護。
該放大器是單一輸入和單一輸出(27~30dB增益可選)。優良的特性使CX-TA/Y產品成為HFC系統的理想干線器材。 |
下述為典型配置和典型參數。請告訴我們您的詳細要求,您的要求加上我們的專業能力將****限度的滿足您的需求,將讓您的網絡更加穩定。 |
|
|

|
您是本站第
位訪客
|
 |
|